我們說到“電機控制”指的是什么?
內容簡介:由于電力電子技術的進步而開拓的領域。電力電子器件的發展使得電機電源的控制非常容易,進而促進了電機控制技術的飛速發展。控制不再是單一的調速,其主要被控量是轉矩。
當我們說到電機控制的時到底指的是什么呢?今天在這里和大家探討一下。
以異步電機來說,比如給你一個三相異步電機,我們能如何控制它呢?要想控制它按照你的要求工作,我們需要學習和掌握哪些知識呢?
第一步:“動起來”——啟動
相信大家的第一感覺都一樣,甭管后續怎么控制,先讓它轉起來再說。那要想讓他轉起來,該怎么做呢?
想到咱們電氣工程專業有本“天書”叫做《電機學》。(http://vdisk.weibo.com/s/djwq4HeGfFzEJ),那里頭講過三相異步電機的知識。首要任務是接線問題,你要確定是用星形接法還是三角形接法。
上圖中的U1,V1,W1表示三相電源接線端。
至于說兩種解法選哪個,請考:http://www.ad.siemens.com.cn/service/answer/solution.aspx?Q_ID=74681&cid=1157
假設我們這里選用了星型接法,然后你就需要把三相電源線依次接到你的電機接線盒的三個接線端子上。為了安全和容易操作(防觸電),我們在三相電源線和電機之間接上一個空氣開關,這里的開關具體型號需要根據你的電機參數(電壓,功率)來定。接好線后,當你把空氣開關由OFF打到ON的時候,電機此時就轉了起來。
第二步:“正反轉”——換向
OK,電機雖然轉了起來,但此時電機的正轉或反轉都是隨機的,當你把三相電源線接好以后,電機的轉向也就確定了。但是就電動機轉向這個參數來說,我們此時并沒有沒有控制到。那我們就要想辦法讓它按照你的要求方向轉!
還是回到《電機學》課本,我們知道:
三相交流異步電動機改變轉向就是改變電機繞組的相序。具體的方法是:
1.把電源或者總空開處的三根電源線A、B、C中的任意兩根對調。例如:A與B對調;或者A與C對調或者B與C對調。
2.還可以在主回路的熱繼電器出線端(或者啟動柜端子排上),把進電機的三根線中的兩根對調。
3.還可以在電機接線盒中把三根線中的兩根對調。
以上介紹的方法,你可以選擇一種最方便的來改動。
好的,按照第三條的方法,我們驗證一下,將電機接線盒的三個接線端任意兩個換一下試試效果,方法有效,可以改變方向。但是,這樣的操作方式是一個手工操作的笨辦法,工業實際生產過程中不可能讓你停下來去改接線,那就要實現自動控制。
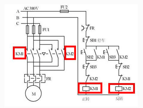
好了,有了這個目標,加上我們知道改變轉向就是改變電機繞組的相序。那我們就用控制器來實現。我們電氣專業還有一門可編程邏輯器件或者說類似的課程,就教過用PLC如何控制電機。其實現在大多數工廠里控制電機主要也是用PLC控制,因為PLC皮實,扛揍。那我們就用它來實現,控制原理圖如下:
基本原理就是換相序,當KM1常開觸點閉合的時候,電機的繞組相序是:A,B,C。當KM2常開觸點的時候,電機的繞組相序是:C,B,A。然后在PLC的編程軟件里寫上兩三條語句就可以實現正反轉自動控制,也就不用人為去改接線了。
第三步:“快轉or慢轉?”——調速
解決了前面兩步,接下來就要解決電機轉動快慢的問題,也就是電機的調速問題。由《電機學》我們知道,三相異步電機的同步轉速n_{s}=\frac{60f}{p} ,p是電機極對數。50Hz電源下,4極電機應該是1500轉,2極電機是3000轉。由于異步電機有轉差率,電機實際速度都是小于同步轉速的,如下圖:
三相異步電機調速方法有很多,各自也有各自的適用場合和優缺點。
現在用的最多的是交直交變頻調速。什么是交直交變頻調速呢?這就得說到另一門課程《電力電子技術》了。
交流電轉成直流電叫做整流,直流電變成交流電叫逆變,一般常用電壓源型交直交變頻器。交直交變頻原理何在呢?
總之就是根據上面那個公式而來,至于這個式子怎么來的可能你還需要復習一下《電路原理》。至于說電機在額定頻率以下恒轉矩控制,額定頻率以上恒功率控制等等這些也都是老生常談的問題了,這里我也不多說了。目前市面上賣的三相交流電機的變頻器也很多,調速已經不是問題。?
第四步: 調速進階——大新聞
人的欲望是無限的,電機控制行業也是。變頻交流調速雖然一定程度上實現了異步電機無級高效的調速,但是我們這些個同行是不滿足的。一想到看看別人家的孩子怎么怎么樣好,當然這里別人家的孩子指的是直流電機。就覺得不行,我們要追(模)趕(仿)它們,我們要超越他們!
我們要用高大上的自動控制理論!我們要用單片機,要用DSP!我們要用傳感器!我們要仿真!我們要整流和逆變!我們要上天。。。。。!
就這樣,時間悄然來到了1973年,“異步派”的代表人物德國的F.Blaschke搞了個大新聞。提出了矢量變換控制(西門子)。他參照直流電機中勵磁磁場(磁化電流)、電樞磁場(電樞電流)空間相互垂直、沒有耦合、可分別控制的原理,將之遷移到異步電機上,進而實現轉矩的動態(瞬時)控制機理,完成了一次逆襲。從此異步電機的地位蒸蒸日上,直流電機岌岌可危。
就這樣矢量控制實現了交流電機的解耦控制,獲得了如同直流機的良好靜、動態調速性能,開創了交流電機高性能控制的新時代。大家歡欣雀躍。
時間匆匆流逝,在西門子靠著矢量控制統治的這十幾年里,別的一些電氣巨頭們也都默默的憋著一口氣。終于在1985年又是德國人Depenbrock搞了第二個大新聞。提出了直接轉矩控制(被ABB買去專利)。也不知道廣大記者同志們當時有沒有跟上。。。
他將電機與逆變器作為整體考慮,采用電壓空間矢量方法在定子坐標系內進行磁通、轉矩的計算和控制,通過電壓空間矢量PWM逆變器的開關切換實現磁鏈自控制和轉矩自控制,獲得快速的轉矩響應。無需進行定子電流解耦的復雜坐標變換,直接采用電壓矢量控制磁鏈和轉矩,控制系統簡單。
隨話說得好,一山容不得二虎,兩家的矛盾打開始就產生了,你看:
你矢量控制基于轉子磁場定向,那我就基于定子磁場定向;
你矢量控制用坐標變換,那我就不用那些玩意。
你矢量控制用連續PI控制器,那我就用離散滯環控制器;
你矢量控制用。。。。。,那我就用。。。。
從此西門子和ABB在變頻器這塊算是杠上了。
直到今天。。。。。。
總結:
至此,可以說異步電機的控制大廈基本完成,后來者主要開始著眼于:
以前測速要傳感器,現在不要傳感器!
以前推導公式用模型,現在不要模型!
以前控制用PID,現在控制神經網絡,模糊控制。。。。。等等
歷史浪花一朵朵,而我們的電機控制也走過了從古典控制到現代控制的百年歷程。最后用首歌詞做結尾:
暗淡了刀光劍影;遠去了鼓角錚鳴;眼前飛揚著一個個鮮活的面容;
湮沒了黃塵古道;荒蕪了烽火邊城;歲月啊你帶不走那一串串熟悉的姓名;
歷史的天空閃爍幾顆星;
人間一股英雄氣在馳騁縱橫; 《歷史的天空》——毛阿敏
轉載請說明來自西安泰富西瑪電機(西安西瑪電機集團股份有限公司)官方網站:http://m.bzziqian.cn/zixun/dianjibaike146.html
以異步電機來說,比如給你一個三相異步電機,我們能如何控制它呢?要想控制它按照你的要求工作,我們需要學習和掌握哪些知識呢?
第一步:“動起來”——啟動
相信大家的第一感覺都一樣,甭管后續怎么控制,先讓它轉起來再說。那要想讓他轉起來,該怎么做呢?
想到咱們電氣工程專業有本“天書”叫做《電機學》。(http://vdisk.weibo.com/s/djwq4HeGfFzEJ),那里頭講過三相異步電機的知識。首要任務是接線問題,你要確定是用星形接法還是三角形接法。
上圖中的U1,V1,W1表示三相電源接線端。
至于說兩種解法選哪個,請考:http://www.ad.siemens.com.cn/service/answer/solution.aspx?Q_ID=74681&cid=1157
假設我們這里選用了星型接法,然后你就需要把三相電源線依次接到你的電機接線盒的三個接線端子上。為了安全和容易操作(防觸電),我們在三相電源線和電機之間接上一個空氣開關,這里的開關具體型號需要根據你的電機參數(電壓,功率)來定。接好線后,當你把空氣開關由OFF打到ON的時候,電機此時就轉了起來。
第二步:“正反轉”——換向
OK,電機雖然轉了起來,但此時電機的正轉或反轉都是隨機的,當你把三相電源線接好以后,電機的轉向也就確定了。但是就電動機轉向這個參數來說,我們此時并沒有沒有控制到。那我們就要想辦法讓它按照你的要求方向轉!
還是回到《電機學》課本,我們知道:
三相交流異步電動機改變轉向就是改變電機繞組的相序。具體的方法是:
1.把電源或者總空開處的三根電源線A、B、C中的任意兩根對調。例如:A與B對調;或者A與C對調或者B與C對調。
2.還可以在主回路的熱繼電器出線端(或者啟動柜端子排上),把進電機的三根線中的兩根對調。
3.還可以在電機接線盒中把三根線中的兩根對調。
以上介紹的方法,你可以選擇一種最方便的來改動。
好的,按照第三條的方法,我們驗證一下,將電機接線盒的三個接線端任意兩個換一下試試效果,方法有效,可以改變方向。但是,這樣的操作方式是一個手工操作的笨辦法,工業實際生產過程中不可能讓你停下來去改接線,那就要實現自動控制。
好了,有了這個目標,加上我們知道改變轉向就是改變電機繞組的相序。那我們就用控制器來實現。我們電氣專業還有一門可編程邏輯器件或者說類似的課程,就教過用PLC如何控制電機。其實現在大多數工廠里控制電機主要也是用PLC控制,因為PLC皮實,扛揍。那我們就用它來實現,控制原理圖如下:
基本原理就是換相序,當KM1常開觸點閉合的時候,電機的繞組相序是:A,B,C。當KM2常開觸點的時候,電機的繞組相序是:C,B,A。然后在PLC的編程軟件里寫上兩三條語句就可以實現正反轉自動控制,也就不用人為去改接線了。
第三步:“快轉or慢轉?”——調速
解決了前面兩步,接下來就要解決電機轉動快慢的問題,也就是電機的調速問題。由《電機學》我們知道,三相異步電機的同步轉速n_{s}=\frac{60f}{p} ,p是電機極對數。50Hz電源下,4極電機應該是1500轉,2極電機是3000轉。由于異步電機有轉差率,電機實際速度都是小于同步轉速的,如下圖:
三相異步電機調速方法有很多,各自也有各自的適用場合和優缺點。
現在用的最多的是交直交變頻調速。什么是交直交變頻調速呢?這就得說到另一門課程《電力電子技術》了。
交流電轉成直流電叫做整流,直流電變成交流電叫逆變,一般常用電壓源型交直交變頻器。交直交變頻原理何在呢?
總之就是根據上面那個公式而來,至于這個式子怎么來的可能你還需要復習一下《電路原理》。至于說電機在額定頻率以下恒轉矩控制,額定頻率以上恒功率控制等等這些也都是老生常談的問題了,這里我也不多說了。目前市面上賣的三相交流電機的變頻器也很多,調速已經不是問題。?
第四步: 調速進階——大新聞
人的欲望是無限的,電機控制行業也是。變頻交流調速雖然一定程度上實現了異步電機無級高效的調速,但是我們這些個同行是不滿足的。一想到看看別人家的孩子怎么怎么樣好,當然這里別人家的孩子指的是直流電機。就覺得不行,我們要追(模)趕(仿)它們,我們要超越他們!
我們要用高大上的自動控制理論!我們要用單片機,要用DSP!我們要用傳感器!我們要仿真!我們要整流和逆變!我們要上天。。。。。!
就這樣,時間悄然來到了1973年,“異步派”的代表人物德國的F.Blaschke搞了個大新聞。提出了矢量變換控制(西門子)。他參照直流電機中勵磁磁場(磁化電流)、電樞磁場(電樞電流)空間相互垂直、沒有耦合、可分別控制的原理,將之遷移到異步電機上,進而實現轉矩的動態(瞬時)控制機理,完成了一次逆襲。從此異步電機的地位蒸蒸日上,直流電機岌岌可危。
就這樣矢量控制實現了交流電機的解耦控制,獲得了如同直流機的良好靜、動態調速性能,開創了交流電機高性能控制的新時代。大家歡欣雀躍。
時間匆匆流逝,在西門子靠著矢量控制統治的這十幾年里,別的一些電氣巨頭們也都默默的憋著一口氣。終于在1985年又是德國人Depenbrock搞了第二個大新聞。提出了直接轉矩控制(被ABB買去專利)。也不知道廣大記者同志們當時有沒有跟上。。。
他將電機與逆變器作為整體考慮,采用電壓空間矢量方法在定子坐標系內進行磁通、轉矩的計算和控制,通過電壓空間矢量PWM逆變器的開關切換實現磁鏈自控制和轉矩自控制,獲得快速的轉矩響應。無需進行定子電流解耦的復雜坐標變換,直接采用電壓矢量控制磁鏈和轉矩,控制系統簡單。
隨話說得好,一山容不得二虎,兩家的矛盾打開始就產生了,你看:
你矢量控制基于轉子磁場定向,那我就基于定子磁場定向;
你矢量控制用坐標變換,那我就不用那些玩意。
你矢量控制用連續PI控制器,那我就用離散滯環控制器;
你矢量控制用。。。。。,那我就用。。。。
從此西門子和ABB在變頻器這塊算是杠上了。
直到今天。。。。。。
總結:
至此,可以說異步電機的控制大廈基本完成,后來者主要開始著眼于:
以前測速要傳感器,現在不要傳感器!
以前推導公式用模型,現在不要模型!
以前控制用PID,現在控制神經網絡,模糊控制。。。。。等等
歷史浪花一朵朵,而我們的電機控制也走過了從古典控制到現代控制的百年歷程。最后用首歌詞做結尾:
暗淡了刀光劍影;遠去了鼓角錚鳴;眼前飛揚著一個個鮮活的面容;
湮沒了黃塵古道;荒蕪了烽火邊城;歲月啊你帶不走那一串串熟悉的姓名;
歷史的天空閃爍幾顆星;
人間一股英雄氣在馳騁縱橫; 《歷史的天空》——毛阿敏
轉載請說明來自西安泰富西瑪電機(西安西瑪電機集團股份有限公司)官方網站:http://m.bzziqian.cn/zixun/dianjibaike146.html
以上內容由西安泰富西瑪電機(西安西瑪電機集團股份有限公司)網絡編輯部收集整理發布,僅為傳播更多電機行業相關資訊及電機相關知識,僅供網友、用戶、及廣大經銷商參考之用,不代表西安泰富西瑪電機同意或默認以上內容的正確性和有效性。讀者根據本文內容所進行的任何商業行為,西安泰富西瑪電機不承擔任何連帶責任。如果以上內容不實或侵犯了您的知識產權,請及時與我們聯系,西安泰富西瑪電機網絡部將及時予以修正或刪除相關信息。
- 上一篇: 淺談電機線圈用到的絕緣漆。
- 下一篇: 電機風罩的工作原理及其用途。
他們還瀏覽了...
- 2022-7-3電機風罩的工作原理及其用途。
- 2022-5-14高效節能電機過熱原因分析
- 2022-4-17多大功率的電機才需要降壓啟動?
- 2022-4-10如何看懂電機的型號?
- 2022-4-10電機維修期間應考慮什么?
- 2018-3-30淺談電機線圈用到的絕緣漆。
- 2018-3-29詳解電動汽車電機與工業電機有什么區別?
- 2018-3-29電機會有“高原反應”嗎?
- 2018-3-29電機的分類、原理及功率與電流對照表。
- 2018-3-26淺析伺服電機的剛性和慣量。
行業資訊
電機風罩的工作原理及其用途。
高壓電機軸磨損維修的詳細流程
三相異步電動機安裝步驟以及西瑪電機的故障檢查
西瑪電機接線中最常見的幾種錯誤
綠色發展可以幫助電機廠家解決利潤問題
高效節能電機過熱原因分析
需要更換高效節能的電機的必要性分析!
西安西瑪電機頻率和速度之間的數學關系
高壓電機軸磨損維修的詳細流程
三相異步電動機安裝步驟以及西瑪電機的故障檢查
西瑪電機接線中最常見的幾種錯誤
綠色發展可以幫助電機廠家解決利潤問題
高效節能電機過熱原因分析
需要更換高效節能的電機的必要性分析!
西安西瑪電機頻率和速度之間的數學關系
西安西瑪電機舉辦“迎國慶”員工趣味運動項目比
關于西安西瑪電機的工作制,大家了解一下。
西安西瑪電機工會慶祝3月8日的評選頒獎活動。
西安西瑪電機向在抗擊疫情前線的工作人員們致敬
西安西瑪電機職工安全生產知識宣傳教育工作全面
西安泰富西瑪電機亮相第27屆中國西部國際裝備
西安泰富西瑪電機將高效節能三相異步電動機作為
西安西瑪電機始終堅持誠信銷售的理念。
關于西安西瑪電機的工作制,大家了解一下。
西安西瑪電機工會慶祝3月8日的評選頒獎活動。
西安西瑪電機向在抗擊疫情前線的工作人員們致敬
西安西瑪電機職工安全生產知識宣傳教育工作全面
西安泰富西瑪電機亮相第27屆中國西部國際裝備
西安泰富西瑪電機將高效節能三相異步電動機作為
西安西瑪電機始終堅持誠信銷售的理念。
泰富西瑪電機
配套電柜
電機配件
YKK系列高壓三相異步電機西安泰富西瑪YKK系列(H355-1000)高壓三相異步電機可作驅動
Y2系列緊湊型高壓異步電機西安泰富西瑪?Y2系列(H355-560)6KV緊湊型高壓異步電機可
YE3系列高效節能電機西安泰富西瑪電機生產的YE3系列高效節能電機達到了國標二級能效標準,
Z4系列直流電機西安泰富西瑪Z4系列直流電動機比Z2、Z3系列具有更大的優越性,它不
Z2系列小型直流電機西安泰富西瑪Z2系列電機為一般工業用小型直流電機,其電動機適用于恒功
ZTP型鐵路機車動車用直流輔助西安泰富西瑪ZTP系列西瑪電機應能滿足鐵路機車動車用直流輔助電機通用



西安西瑪電機緊跟電機行業的發展趨勢,了解電機市場動態,制定出西瑪電機的發展規劃,穩步前行。
隨著國家節能減排的積極推行,新能源汽車產業快速增長及高效節能電機補貼政策的逐步落實,高效節能電機業將迎來爆發式的增長。
西瑪電機售后維修業務有:軸料加工件、鋼板切割、焊接件、高壓機殼、冷卻器、上下罩、高、低壓交直流電機;國內、外電機的修理、維護和試驗。
質量為本,用戶至上”是我公司一貫宗旨?!罢\心、貼心、傾心、西瑪永遠用心”的“三心”服務理念。
西安泰富西瑪電機(西安西瑪電機集團股份有限公司)是國內九大的電機供應商之一,產品包括各種高低壓、交直流、高壓同步電機等。


















